让找料更便捷
电子元器件
采购信息平台
生意随身带
随时随地找货
一站式电子元器件
采购平台
半导体行业观察第一站
标签:
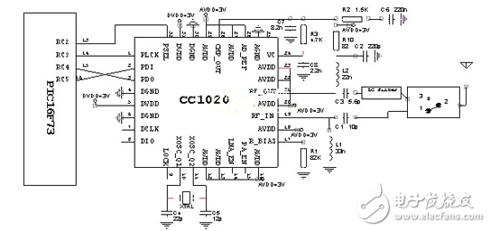
摘要: 电路图简介: 本系统中的无线通信终端采用CC1020为收发芯片,PIC16F73单片机为微控制器。CC1020是基于SmartRF技术的全集成无线收发芯片。
粮食的安全存储是关系到国计民生的战略大事,科学保粮具有重要的社会意义与经济价值。粮仓监控系统主要完成对粮食温度、湿度和气体浓度等参数的采集、存储和向监控中心传送数据以及执行监控中心的指令等功能。传统的粮仓监控系统中粮仓与监控中心大多采用RS-485等有线连接的数据通信方式,使得系统抗干扰差、连线繁多、扩展困难;当一个节点出现问题时还会影响整个系统,不利于粮仓的监控与管理。为此,本文给出了一种基于射频技术的粮库无线监控系统。
无线通信终端的硬件设计
无线通信终端由无线收发芯片和微控制器组成。本系统中的无线通信终端采用CC1020为收发芯片,PIC16F73单片机为微控制器。CC1020是基于SmartRF技术的全集成无线收发芯片。它工作在402-470MHZ、804-940MHZ等 ISM(Industrial, ScienTIfic and Medical)与SRD(Short Range Device)频段,采用频移键控(FSK)调制,集成锁相环(PLL)、压控振荡器(VCO)、功率放大器(PA)、低噪声放大器(LNA)、调制解调器(DEMOD)等功能,具有低电压、低功耗、高灵敏度、传输距离远、尺寸小等优点,与很少的一些外围器件搭配就可以设计成强大的具有无线通信功能的嵌入式系统。PIC16F73是低功耗、高性能的8位单片机,采用双总线结构(指令总线和数据总线分离)和精简指令结构,具有8Kb的Flash、192字节的片内RAM、串口和SPI接口,很好的满足了本终端对微控制器的要求。CC1020有32个引脚,它通过PDI、PDO、PCLK和PSEL这四个引脚与PIC16F73单片机的I/O端口相连,CC1020的应用原理图如图2所示。

图2. CC1020的应用电路示意图
在对无线通信终端进行印刷电路板(PCB)的设计时,需要注意以下几个问题:
(1)虽然CC1020外围器件少,集成度高,并集成了基带处理,设计比较方便,但由于高频电路的特性,加上CC1020的混和电路信号设计,因此PCB的设计直接关系到射频性能。为了获得较好的射频性能,PCB设计至少需要两层板来实现,PCB分成射频电路和控制电路两部分布线。
(2)为了减少分布参数对性能的影响,在PCB中应该避免长的走线,所有元器件的地线、AVDD连接线、VDD去藕电容必须离CC1020尽可能的近。CC1020的电源必须经过很好的滤波,并且与数字电路的供电分离,在离电源脚AVDD尽可能近的地方用高性能的电容去藕,最好是一个小电容与大电容并联。
(3)PCB板的顶层与底层最好敷铜着地,把这两层的敷铜用较多的过孔紧密相连。所有的开关信号与控制信号都不能经过RF_IN和RF_OUT的电感附近。
利用射频技术传输数据具有耗资小、体积小、使用灵活和易于扩展等优点,为无线监控系统提供了一个较好的选择。本文给出了基于射频技术的粮仓无线监控系统,描述了粮仓无线监控系统的组成、原理和设计,并重点阐述了基于CC1020射频芯片和PIC单片机的无线通信终端的硬件和软件设计。
基于高性能单片机STM32和GPRS无线通信方案实现了对测试点CMMB网络覆盖情况的实时监测,并利用GPS接收器将测试终端的地理位子信息上传到服务器端,完成了对监测终端的精准定位。终端板卡供电方式采用太阳能供电系统,保障其在无电源和人员看守的情况下长期稳定的工作。最后通过综合测试,能实现所有要求的功能,完全满足本次设计的要求。
系统分为测试终端和服务器端,服务器端只需要一台性能良好的个人计算机,而测试终端主要由以下几个模块构成:射频前端模块模块、功率测量与存储模块、GPS接收器、太阳能供电模块、处理器模块及GPRS无线通信模块。各个模块主要是通过STM32微处理器的GPIO口连接与通信。处理器需要对射频前端的调谐器和解调器进行调谐频道和解调参数设置,并对RS误包率、LDPC误包率等信息进行读取。CMMB信号调谐器主要是对从天线接收的高频信号进行调谐输出中频信号;CMMB调谐解调模块主要是对信号进行解调和信道解码;功率的测量与存储模块负责将信号功率转换为电平信号送给STM32的ADC和将系统设置参数进行存储,GPS接收器用于获取监测点地理位子信息,最后处理器通过GPRS无线模块将信息发送至服务器端并从服务器接收控制命令。系统整体结构如图1所示。

GPS接收器
监测终端通过GPS接收器采集监测点地理信息,包括:经纬度、海拔等,测试系统根据得到的GPS信息在地图的相应位置显示测试数据。本系统中选用GTS-4E-00模块,采用邮票贴片封装,可适应高温高湿,电磁干扰等恶劣工作环境。其简化的电路图如图 2中所示,TXD连接STM32串口1,模块唤醒端连接PA9,J1为接收天线。

该监测系统采用了处理器STM32开发平台和GPRS无线通信方案,成功地实现了对用户端CMMB网络覆盖情况的实时监测,为广大工程技术人员提供了一种高效、便捷的监管手段,达到了设计要求。
| 型号 | 厂商 | 价格 |
|---|---|---|
| EPCOS | 爱普科斯 | / |
| STM32F103RCT6 | ST | ¥461.23 |
| STM32F103C8T6 | ST | ¥84 |
| STM32F103VET6 | ST | ¥426.57 |
| STM32F103RET6 | ST | ¥780.82 |
| STM8S003F3P6 | ST | ¥10.62 |
| STM32F103VCT6 | ST | ¥275.84 |
| STM32F103CBT6 | ST | ¥130.66 |
| STM32F030C8T6 | ST | ¥18.11 |
| N76E003AT20 | NUVOTON | ¥9.67 |