让找料更便捷
电子元器件
采购信息平台
生意随身带
随时随地找货
一站式电子元器件
采购平台
半导体行业观察第一站
标签:
摘要: 电路图简介: 基于TC35 GSM模块的CO气体监测仪的设计,其主要特点是能够应用SMS进行数据传递。对无线通讯模块TC35进行了详细介绍,并给出TCC35短消息收发模块在 CO气体监测仪中的应用。
基于TC35 GSM模块的CO气体监测仪的设计,其主要特点是能够应用SMS进行数据传递。对无线通讯模块TC35进行了详细介绍,并给出TCC35短消息收发模块在 CO气体监测仪中的应用。CO气体浓度监测仪是用来测量相关环境空气中CO含量的便携式智能仪器。目前,国内CO气体监测仪与控制中心的数据通信最常见的是通过CAN总线、RS485总线或RS232总线来完成。RS232总线的通讯距离是12 m,最大可达15.4 m;RS485总线的通讯距离是1200 m。CAN总线的直接通讯距离最大可达10 km。但无论哪种方式都有距离的限制.而且最终决定了控制中心的固定性。随着GSM移动通信网络的迅速普及和竞争的日益激烈.GSM模块作为一种主要的 GSM网络接入设备.应用越来越广泛,并已开发出多种前景乐观的应用。
TC35型模块是终端的主要功能部件,由GSM基带处理器、电源专用集成电路、射频电路和闪速存储器等部分组成,负责处理GSM蜂窝设备中的音频、数据和信号,内嵌的软件部分执行应用接口和所有GSM协议站的功能。基带处理器包含蜂窝无线部分的所有模,数转换功能,为满足GSM、PCS蜂窝用户市场日益增长的要求.在不用外接电路的情况下就能支持FR、HR和EFR语音和信道编码。射频部分基于SMARTI型电路.模块内的天线电缆连接到GSC类型的 50Ω 连接器。TC35模块适合最小功率的GSM蜂窝设备.这种蜂窝设备的应用部分构成人机接口(MMI)。通过串口(RS232)可接入TC35。TC35通过40针ZIF连接蜂窝应用部分,ZIF连接器提供控制数据、音频信号和电源线的应用接口。终端系统的工作电压为5 VDC。由于TC35的突发耗电电流峰值可达3 A.故外加稳压器件必须达到足以提供该额定电流的条件。在该终端中。采用LM2596型开关电源完成12V到5V的转换.作为TC35终端的电源。必须注意的是。由LM2596完成开关电源转换需要大功率的电感器和电容器.以提高储能能力.满足TC35的耗电要求。

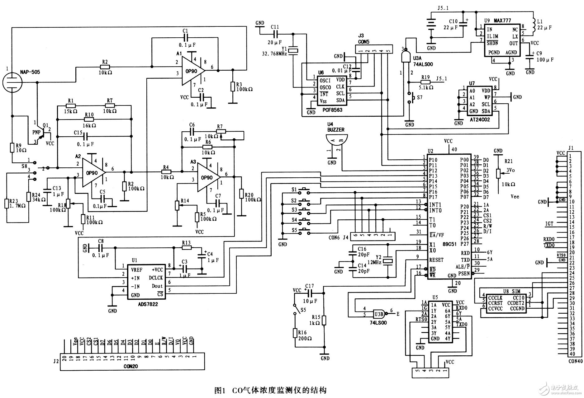
CO气体监测仪系统的结构
具有GSM短消息收发功能的便携式CO气体浓度监测仪的结构如图所示。笔者研制的监测仪主要用于公共场所及某些生产车间空气中CO浓度的监测.采用电池作为供电电源.CO传感器N1选用日本根本特殊化学株式会社生产的NAP一505型电化学式传感器。传感器输出电流与CO气体浓度成线性。A1(OP90)可以保证工作电极和参考电极等电位。传感器输出OμA~70μA电流经Aa(OP90)转换成0 V~O.7 V的电压,以保证当CO浓度在0“10-3时A3的输出为0 V~2.5V,以满足MD转换器U.I(ADS7822)的输入要求。OP90具有内部调零电路.允许仪器放大器提供真正的零输入零输出操作。NAP一 505的温度特性用常数B为3 435 K的NTC热敏电阻器进行补偿,温度经过补偿后.其输出在一10℃”50℃范围内能够满足精度要求。
汽车试验是发现汽车设计开发中各种问题的重要手段,依据试验结果能对汽车各种性能做出客观的评价。作为汽车工业的基础工程之一,汽车试验在汽车工业的整体发展中发挥了重要作用。汽车性能测试系统是汽车试验工程的关键组成部分,它是由若干相互联系、相互作用的传感器和仪器设备等元件,为实现对汽车各项性能的测试而组成的有机整体,汽车测试系统的性能往往对整个汽车试验的效用产生重要影响。
系统总体结构设计
汽车试验主要包括动力性能、燃油经济性、操纵稳定性和排放特性等测试项目,主要性能参数有速度、加速度、燃油消耗量、温度以及操纵稳定性试验中的动态运动参数等,通过传感器得到的这些参数的测试信号,经过前端处理模块处理(整形、滤波、放大等) 后送入C805l-F020微处理器中,在单片机内部进行模数转换和数据处理后通过串口实现与Zigbee终端节点的连接,再由终端节点在WLAN中将数据发出,Zi-gbee中心节点接收到数据后经串口与上位机进行通讯。中心节点也可将上位机的命令发送给终端节点,控制终端节点执行。系统总体结构框图如图1所示。

前端处理模块
传感器将各种常见的非电量信号转换为电量信号,一般都较微弱,前端处理模块将这些信号进行处理后送至单片机的A/D转换端口。本系统共有8路传感器信号,包括2路压变传感器信号、2路-5~+5 V电压信号、2路4~20 mA电流信号和2路热电偶信号的前端处理。其中压变传感器信号和热电偶信号前端处理硬件电路分别如图2和图3所示。

AD620是一款低成本、高精度仪表放大器,仅需1个外部电阻设置增益,增益范围为l~10 000。对压变传感器信号的前端处理采用AD62-0、AD705组成的放大电路,该部分采用单电源供电,AD705是电压跟随器,为AD620提供输出电压的零点。将VREF、AGND送至MCU的8位精度AD-Cl的AINl.0、AINl.1端口,利用软件程序实现该路信号的参考电压和模拟地的计算。热电偶传感器用来测量汽车关键部件温度,其前端处理电路采用OP07的可调增益放大电路。OP07是一种低噪声、非斩波稳零的双极性运算放大器集成电路,具有非常低的输入失调电压,低失调、高开环增益的特性使得OP07特别适用于高增益的测量设备和放大传感器的微弱信号等。在对精确度要求不高的场合,OP07的失调电压可忽略,该电路中R25和R24用来调整系统放大倍数,在选用不同类别的热电偶时可适当调整两者的阻值。
ZigBee节点模块
汽车测试系统初步采用2个终端节点和1个中心协调器组成星状网的拓扑结构,3个节点均选用SZ05-ADV型无线收发模块,Zig-bee终端节点和中心节点通过标准串口分别与C8051F020模块和PC设备相连接,实现数据的无线传输。SZ05-ADV是高性能嵌入式无线收发模块,其核心器件是Freescale公司的MCl3213。它是第2代标准ZigBee无线通信平台,在9 mmx9 mmxl mm 7l引脚LGA封装中集成有低功耗的2.4 GHz RF收发器和8位微控制器,MCl3213器件具有60 kB的闪存,MCl32lx解决方案能在简单的点对点连接到完整的ZigBee网状网络中用作无线连接,小占位面积封装中的无线电收发器和微控制器的组合使其成为成本效益的解决方案,MCl321x中的RF收发器工作在2.4 GHzISM频段,和802.15.4标准兼容,收发器包括低噪音放大器,1 mW的RF输出功率,带VCO的功率放大器(PA),集成的发送/接收开关,板内的电源稳压器以及完全的扩展频谱的编码和译码,MCl32lx中的微控制器基于HCS08系列微控制器单元(MCU),HCS08 A版本,高达60 kB的闪存和4 kB的RAM。
SZ05-ADV嵌入式无线通信模块集成有符合ZIGBEE协议标准的射频收发器和微处理器,其数据接口包括:TTL电平收发接口、标准串口RS2-32 数据接口,可以实现数据的广播方式发送和目标地址发送模式。除可实现一般的点对点数据通信功能外,还可实现多点之间的数据通讯。其模块连接电路如图4所示。DATA、RUN、NET、ALARM为SZ05-ADV无线通信模块的4个工作状态指示端口,分别是数据收发、系统运行、网络状态和告警。 SLEEP引脚用来控制系统进入低功耗状态,低电平进入低功耗,高电平或悬空正常运行。

485CTL引脚是485收发控制,模块485接收时低电平输出,发送时高电平输出。CENTER、DEVICE引脚是节点功能配置接口,均为低电平有效,或分别与引脚TIao7、TIao8接跳线帽实现,如这2个引脚都为高电平或悬空则为路由节点。CONFIG引脚是配置接口,低电平有效,或加跳线帽,可在超级终端中进入系统配置状态。模块标准工作电压为DC-5V,正常工作电压范围为5~12V。数据接口有RS-232和TTL收发2种接口模式。 RS-232串口为TX2、RX2、SGND三线工作模式,TTL为TX1、RXl两线工作模式,TTL电平为3.3V。RESET进入低电平状态3s,系统进入配置状态,高电平或悬空状态则进入工作状态。
本文设计的基于C805lF020和Zigbee无线网络的汽车测试系统实现了汽车试验中数据的无线传输,简化了试验现场布线,提高了试验效率,实验证明了该系统取代传统汽车测试系统的可行性,同时系统的扩展也比较容易,可以实现更多功能。本研究侧重于Zigbee 无线网络的应用开发,可为Zigbee技术在传感器网络中的应用提供一定的参考,但局限于软件程序系统和试验的电磁干扰,该系统的同步机制和抗干扰性能有待于进一步研究。
| 型号 | 厂商 | 价格 |
|---|---|---|
| EPCOS | 爱普科斯 | / |
| STM32F103RCT6 | ST | ¥461.23 |
| STM32F103C8T6 | ST | ¥84 |
| STM32F103VET6 | ST | ¥426.57 |
| STM32F103RET6 | ST | ¥780.82 |
| STM8S003F3P6 | ST | ¥10.62 |
| STM32F103VCT6 | ST | ¥275.84 |
| STM32F103CBT6 | ST | ¥130.66 |
| STM32F030C8T6 | ST | ¥18.11 |
| N76E003AT20 | NUVOTON | ¥9.67 |